Oferecemos estoques permanentes, contamos com um setor de usinagem interno, especializado em fusos de esferas, que nos permite atender prontamente as solicitações de nossos clientes. Dispomos também de um laboratório técnico exclusivo para reparos em fusos de esferas de nossa linha, ajustes de pré-cargas, etc. Contamos com marca própria e os Fusos da marca PMI.
Os fusos de esferas oferecem aplicações com:
Alta precisão;
Longa durabilidade;
Maior eficiência de trabalho;
Alta rigidez com ausência de folgas.

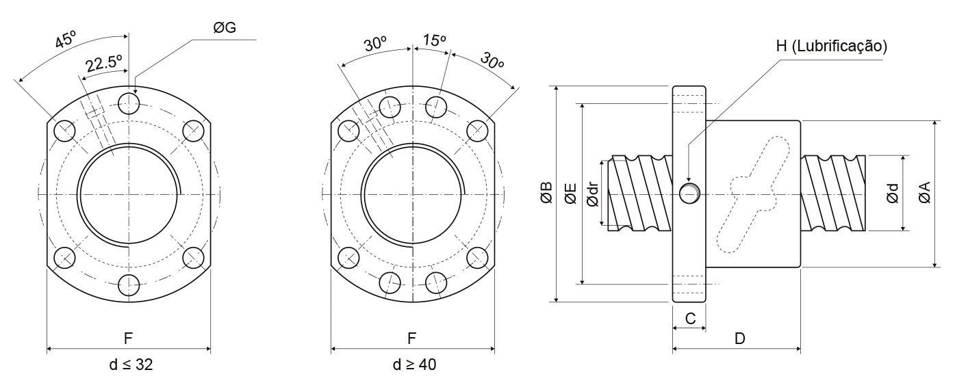
Dimensões em mm.
|
Modelo
|
Diam.
Esfera
|
Capacidade de Carga ( Kgf ) | Dimensões da Porca | Diâmetro do Fuso | Passo |
|||||||||
| Dinâmica* | Estática | A | B | C | D | E | F | G | H | d | dr | |||
| OBR-SFUR-1605-4 | 3,175 | 888 | 1.525 | 28 | 48 | 10 | 50 | 38 | 40 | 5,5 | M6x1P | 16 | 13,80 | 5 |
| OBR-SFUR-1610-3 | 3,175 | 716 | 1.232 | 28 | 48 | 10 | 57 | 38 | 40 | 5,5 | M6x1P | 16 | 13,80 | 10 |
| OBR-SFUR-2005-4 | 3,175 | 999 | 1.994 | 36 | 58 | 10 | 51 | 47 | 44 | 6,6 | M6x1P | 20 | 17,80 | 5 |
| OBR-SFUR2010-3.8 | 3,175 | 1.516 | 3.833 | 36 | 58 | 10 | 60 | 47 | 44 | 6,6 | M6x1P | 20 | 17,80 | 10 |
| OBR-SFUR-2505-4 | 3,175 | 1.119 | 2.581 | 40 | 62 | 10 | 51 | 51 | 48 | 6,6 | M6x1P | 25 | 22,80 | 5 |
| OBR-SFUR-2510-4 | 4,762 | 1.903 | 3.695 | 40 | 62 | 12 | 85 | 51 | 48 | 6,6 | M6x1P | 25 | 21,75 | 10 |
| OBR-SFUR-3205-4 | 3,175 | 1.264 | 3.402 | 50 | 80 | 12 | 52 | 65 | 62 | 9 | M6x1P | 32 | 29,80 | 5 |
| OBR-SFUR-3210-4 | 6,35 | 3.092 | 6.101 | 50 | 80 | 12 | 90 | 65 | 62 | 9 | M6x1P | 32 | 27,66 | 10 |
| OBR-SFUR-4005-4 | 3,175 | 1.407 | 4.341 | 63 | 93 | 14 | 93 | 78 | 70 | 9 | M8x1P | 40 | 35,66 | 5 |
| OBR-SFUR-4010-4 | 6,35 | 3.480 | 7.779 | 75 | 110 | 16 | 93 | 93 | 85 | 11 | M8x1P | 50 | 45,66 | 10 |
| OBR-SFUR-5010-4 | 6,35 | 3.898 | 10.325 | 75 | 110 | 16 | 93 | 93 | 85 | 11 | M8x1P | 50 | 45,67 | 10 |
| OBR-SFUR-6320-4 | 9,525 | 7.404 | 19.008 | 95 | 135 | 20 | 149 | 115 | 100 | 13,5 | M8x1P | 63 | 56,51 | 20 |
| OBR-SFUR-8020-4 | 9,525 | 8.403 | 25.345 | 125 | 165 | 25 | 154 | 145 | 130 | 14 | M8x1P | 80 | 73,49 | 20 |
*Carga Dinâmica = 1 x 106 revoluções

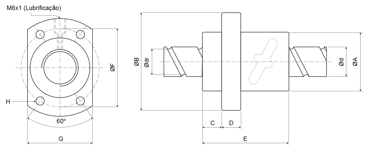
Dimensões em mm.
|
Modelo
|
Diâmetro
Esfera
|
Capacidade de Carga ( Kgf ) | Dimensões da Porca | Diâmetro do Fuso | Passo |
|||||||||
| Dinâmica* | Estática | A | B | C | D | E | F | G | H | d | dr | |||
| OBR-SFYR-1616-3.6 | 2,778 | 1.073 | 2.551 | 32 | 53 | 10 | 10 | 45 | 42 | 34 | 4,5 | 16 | 13,81 | 16 |
| OBR-SFYR-2020-3.6 | 3,175 | 1.387 | 3.515 | 39 | 62 | 13 | 10 | 52 | 50 | 41 | 5,5 | 20 | 17,48 | 20 |
| OBR-SFYR-2525-3.6 | 3,969 | 2.074 | 5.494 | 47 | 74 | 15 | 12 | 64 | 60 | 49 | 6,7 | 25 | 21,94 | 25 |
| OBR-SFYR-3232-3.6 | 4,762 | 3.021 | 8.690 | 58 | 92 | 17 | 12 | 78 | 74 | 60 | 9 | 32 | 28,38 | 32 |
| OBR-SFYR-4040-3.6 | 6,35 | 4.831 | 14.062 | 73 | 114 | 19,5 | 15 | 99 | 93 | 75 | 11 | 40 | 35,26 | 40 |
| OBR-SFYR-5050-3.6 | 7,938 | 7.220 | 21.974 | 90 | 135 | 21,5 | 20 | 117 | 112 | 92 | 14 | 50 | 44,14 | 50 |
*Carga Dinâmica = 1 x 106 revoluções
Produto comercializado somente sob encomenda/importação

Dimensões em mm.
|
Modelo
|
Ø d Diâmetro
|
Passo
|
Diam. Esferas |
Voltas Efetivas |
Capacidade de Carga ( Kgf ) |
Dimensões da Porca | Fuso | ||||||||||
|
d
|
i
|
Dinâmica* | Estática | D | L | A | T | W | H | G | X | Q | dr | Modelo | |||
| RFSB1405-2.5P | 14 | 5 | 3175 | 2,5x1 | 515 | 990 | 32 | 40 | 50 | 10 | 40 | 38 | 19 | 4,5 | M6x1 | 11,42 | PS1405A |
| RFSB1605-2.5P | 16 | 5 | 3175 | 2,5x1 | 570 | 1.130 | 34 | 40 | 54 | 10 | 44 | 40 | 20 | 4,5 | M6x1 | 13,42 | PS1605A |
| RFSB2005-2.5P | 20 | 5 | 3175 | 2,5x1 | 620 | 1.450 | 40 | 40 | 59 | 10 | 50 | 46 | 23 | 4,5 | M6x1 | 17,42 | PS2005A |
| RFSB2505-2.5P | 25 | 5 | 3175 | 2,5x1 | 720 | 1.830 | 43 | 40 | 67 | 10 | 55 | 50 | 25 | 4,5 | M6x1 | 22,42 | PS2505A |
*Carga Dinâmica = 1 x 106 revoluções
Produto comercializado somente sob encomenda/importação

Dimensões em mm.
|
Modelo
|
Diam.
Fuso |
Passo
|
Diam.
Esfera |
Voltas
Efetivas |
Capacidade de Carga ( Kgf ) | Dimensões da Porca | Fuso | ||||||||||||
|
d
|
i
|
Dinâmica* | Estática | D | L | A | T | W | X | Y | Z | H | G | Q | dr | Modelo | |||
| RFSI2005-4.0P | 20 | 5 | 3175 | 4 | 830 | 1.890 | 34 | 53 | 57 | 12 | 45 | 5,5 | 9,5 | 5,5 | 40 | 20 | M6x1 | 17,42 | PS2005A |
| RFSI2505-4.0P | 25 | 5 | 3175 | 4 | 940 | 2.420 | 40 | 53 | 63,5 | 12 | 51 | 5,5 | 9,5 | 5,5 | 44 | 22 | M8x1 | 22,42 | PS2505A |
| RFSI3205-4.0P | 32 | 5 | 3175 | 4 | 1.050 | 3.390 | 48 | 53 | 73,5 | 12 | 60 | 6,6 | 11 | 6,5 | 60 | 30 | M8x1 | 29,42 | PS3205A |
| RFSI3210-4.0P | 32 | 10 | 6350 | 4 | 2.510 | 5.880 | 54 | 90 | 88 | 16 | 70 | 9 | 14 | 8,5 | 68 | 34 | M8x1 | 26,90 | PS3210A |
| RFSI4005-4.0P | 40 | 5 | 3175 | 4 | 1.180 | 4.390 | 55 | 56 | 89 | 16 | 72 | 9 | 14 | 8,5 | 58 | 298 | M8x1 | 37,42 | PS4005A |
| RFSI4010-4.0P | 40 | 10 | 6350 | 4 | 2.630 | 7.860 | 64 | 93 | 106 | 18 | 84 | 11 | 17,5 | 11 | 86 | 43 | M8x1 | 34,90 | PS4010A |
| RFSI5010-4.0P | 50 | 10 | 6350 | 4 | 2.770 | 10.290 | 74 | 93 | 116 | 18 | 94 | 11 | 17,5 | 11 | 84 | 42 | M8x1 | 44,80 | PS5010A |
*Carga Dinâmica = 1 x 106 revoluções
Produto comercializado somente sob encomenda/importação

Dimensões em mm.
|
Modelo
|
Ø d Diâmetro
|
Passo
|
Diam.
Esfera |
Voltas
efetivas |
Capacidade de Carga ( Kgf ) |
Dimensão da Porca |
Fuso |
||||||||||
| Dinâmica* | Estática | D | L | A | T | W | H | G | X | Q | dr | Modelo | |||||
| RFSW2010-2.5P | 20 | 10 | 4762 | 2.5x1 | 1.100 | 2.200 | 52 | 61 | 82 | 12 | 67 | 64 | 32 | 6,6 | M6x1 | 16,00 | PS2010A |
| RFSW2510-2.5P | 25 | 10 | 63650 | 2.5x1 | 1.720 | 3.590 | 60 | 69 | 96 | 15 | 78 | 72 | 36 | 9 | M6x1 | 19,70 | PS2510A |
| RFSW2510-5.0P | 25 | 10 | 6350 | 2.5x2 | 3.200 | 7.170 | 60 | 97 | 96 | 15 | 78 | 72 | 36 | 9 | M6x1 | 19,70 | PS2510A |
| RFSW3210-2.5P | 32 | 10 | 6350 | 2.5x1 | 1.930 | 4.680 | 67 | 69 | 103 | 15 | 85 | 78 | 39 | 9 | M6x1 | 26,90 | PS3210A |
| RFSW3210-5.0P | 32 | 10 | 6350 | 2.5x2 | 3.130 | 9.410 | 67 | 97 | 103 | 15 | 85 | 78 | 39 | 9 | M6x1 | 26,90 | PS3110A |
| RFSW4010-5.0P | 40 | 10 | 6350 | 2.5x1 | 3.520 | 12.000 | 76 | 100 | 116 | 18 | 96 | 88 | 44 | 11 | M6x1 | 34,90 | PS4010A |
| RFSW5010-7.0P | 50 | 10 | 6350 | 3.5x2 | 4.940 | 21.000 | 88 | 126 | 128 | 18 | 108 | 100 | 50 | 11 | M6x1 | 44,80 | PS5010A |
*Carga Dinâmica = 1 x 106 revoluções
Preencha o formulário e nossa equipe entrará em contato para lhe atender.
A OBR oferece soluções eficientes em movimentação linear, amortecimento, isolamento térmico e automação.
Com uma equipe preparada e segmentada, oferecemos um atendimento diferenciado com atenção especial a todos nossos clientes.